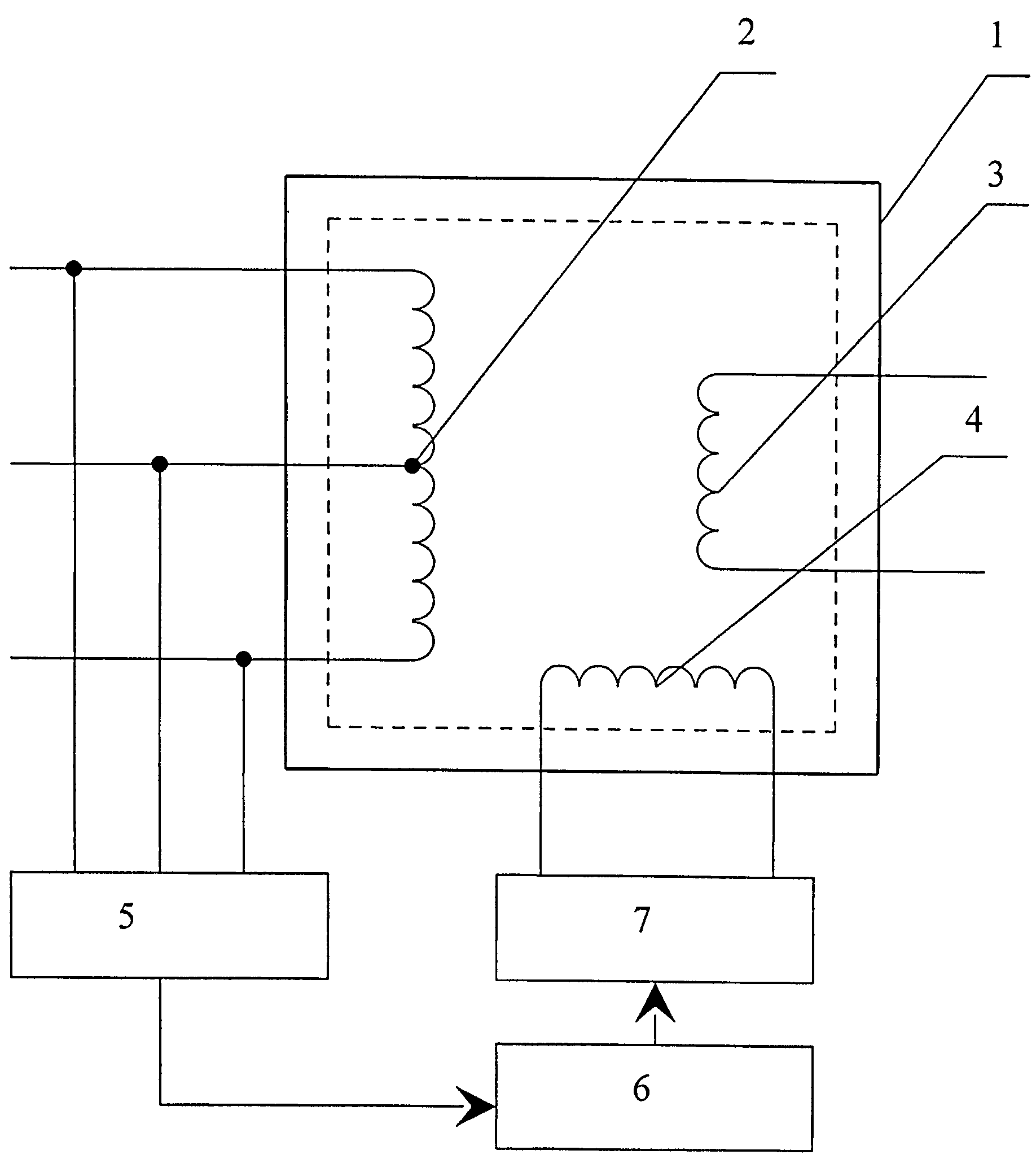
RU131898U1 - Устройство для размагничивания рельсового дроссель ...

RU131898U1 - Устройство для размагничивания рельсового дроссель ...