RES 10R 10% 1W AXIAL CERAMIC CCR110RKB CGS Resi...
Что такое резистор – Виды, типы, обозначения
Диммеры осветительной системы Сверх
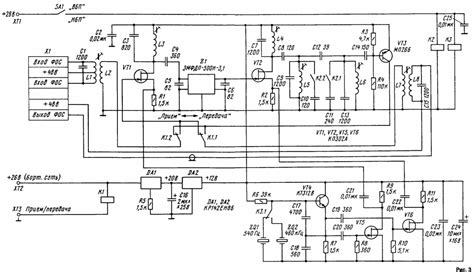
Модернизация коротковолновой радиостанции Р-130М1
Резистор 5вт 0.1ом (BPR56, 5W, R10) 5шт. - купи...
Виды и устройство резисторов – RxTx.su
Резистор 10KOm, 0.25W, R10K, 1/4W в Друга елект...
Купить керамические резисторы по доступной цене...
Resistors R 10โอม 0.5w 1/2w 1% 10ชิ้น ใช้ใน เคร...
Резистор 1 кОм - 0,25 W ±1% - 10 од.: продажа, ...
Резисторы. Типы резисторов - презентация онлайн
1206 SMD резистор 10R0 R270 | Зевс Майнинг
R10A2k7 drátový axiální rezistor 10W, 10x9x49mm
R10 resistor use for automotives ECU
Резисторы 10 Ом (10 шт.) / Купить в Москве и СП...
Резистор
Резистор 101 - Электротехника и электроника
Набор резисторов 200 шт. 1Вт (Номиналы сопротив...
Блок регулировок носимой магнитолы. Схема, опис...
Маркировка резисторов цветными полосками – RxTx.su
Круиз контроль The-end — KIA Ceed (2G), 1,6 л, ...
Повышающий/понижающий преобразователь напряжени...
Разновидности резисторов
Резистор р1 17
Помогите китайская люстра РОСТОК - Песочница (Q...
Rezystor; RoyalOhm; R2W10%10R - Sklep elektroni...
resistor 10r0 - Identificação e Equivalência de...
резистор 10к что это значит
Гибридный УМЗЧ DUAL для наушников
Обозначения и маркировка сопротивления резистор...
Metal oxidový rezistor 10R (1/4W, 1%)
1206 серия SMD резистор 10R0 R270 | Зевс Майнинг