Доильная установка (зал) для коров: АДМ-8, «Ёло...
Презентация на тему: "Тема: «Доильные установки...
Чертежи конструктивной разработки переносного м...
Методична довідка
Общее устройство и классификация доильных устан...
Доильная установка АДМ-8: устройство, принцип р...
Доильная установка адм-8а. Доильная установка у...
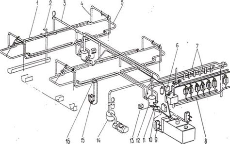
Доильная установка универсальная АДМ-8 на 200 г...
Доильный агрегат АДМ-8А
Доильный агрегат адм-8а
ДОИЛЬНАЯ УСТАНОВКА АДМ-8. Часть 1 - YouTube
Доильная установка-молокопровод АДМ-8А - Проект...
Чертеж "Вакуумный моноблок для доильной установ...
13. Доильные установки для доения коров в стойл...