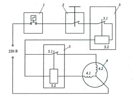
Схема холодильника Индезит
холодильник индезит мотор работает но не морози...
Ремонт холодильника Indesit: неисправности и по...
Не работает двигатель холодильника индезит причина
Замена терморегулятора холодильника Индезит (In...
Холодильник индезит двухкамерный как снять крыш...
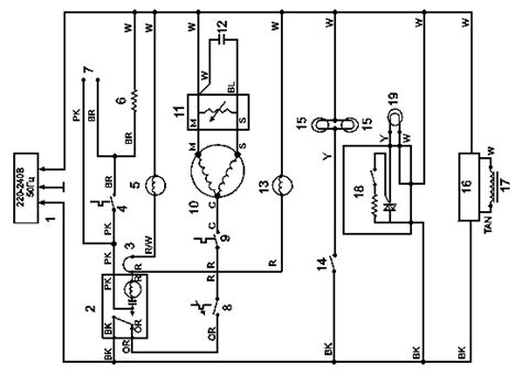
Холодильник индезит схема подключения двигателя
Где находится вентилятор в холодильнике индезит
Почему не морозит холодильник Индезит - APC-MAS...
Не работает верхняя камера в холодильнике Индез...
Индезит холодильник как подключить без блока
Двигатель вентилятора от холодильника Индезит. ...
Сопротивление обмоток компрессора холодильника ...
Холодильник индезит не слышно как работает
Как работает холодильник: принципы, циклы, режи...
Инструкция для холодильника индезит двухкамерный
Двигатель вентилятора для холодильника Indesit ...
13 причин, почему холодильник Индезит не отключ...
холодильник индезит отключился что делать
⚠️ КАК РАБОТАЕТ КОМПРЕССОР ⚠️ для ХОЛОДИЛЬНИКА ...
Как выглядит холодильник индезит внутри
Схема подключения двигателя холодильника индезит
Неисправности холодильника Индезит и методы их ...
Не включается реле двигателя холодильник Индезит
Неисправности холодильника Индезит: как устранить
Холодильник индезит двухкамерный: инструкция