Схема пуска реверсивного управления асинхронног...
Реверсивный пускатель с механической блокировко...
Реверсивный трехфазный пускатель – Схема реверс...
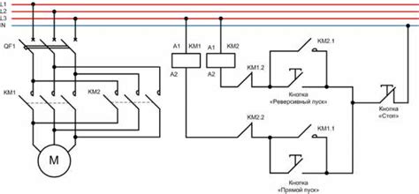
Принципиальная схема реверсивного пуска двигателя
Механическая блокировка реверсивного контактора
Реверсивный пускатель: схема правильного подклю...
Схема реверса пускателя
Пускатель реверсивный: отличия от обычного, схе...
Пускатель с механической блокировкой – Реверсив...
Обзор схем подключения магнитного пускателя
ПМЛ 7500 на 250А пускатель реверсивный магнитны...
Реверсивный пускатель схема: подключение и запу...
Реверсивная схема подключения электродвигателя
Пускатель ПМЛ-3500 О*4Б 40А (ID#1104877674), це...
Сборка схемы реверсивного пуска двигателя