Что такое выпрямитель напряжения: виды и устрой...
Выпрямитель напряжения: принцип работы и разнов...
Выпрямители напряжения: однофазные и трехфазные...
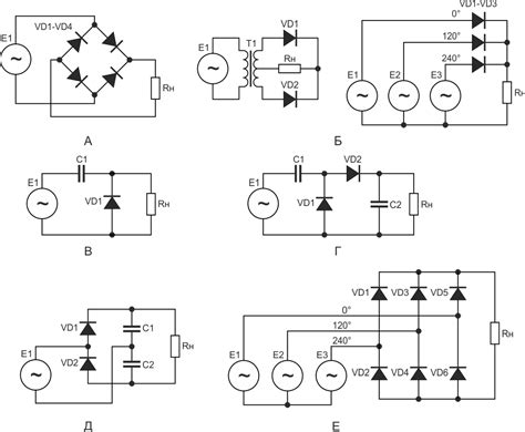
Основные схемы выпрямителей напряжения
Выпрямитель напряжения: классификация, применен...
Выпрямители переменного напряжения.
Выпрямители
Выпрямители переменного тока и напряжения - stoom
Ток нагрузки трехфазного выпрямителя можно расс...
Выпрямительные установки - презентация онлайн
Виды выпрямителей: Выпрямители напряжения: пара...
Многофазные выпрямители с умножением напряжения
Двухполупериодная схема выпрямителя для перемен...
Трехфазный выпрямитель: принцип работы, устройс...
Выпрямители. Однополупериодный выпрямитель - пр...