TDA1543_KIT
TDA1543 NOS DAC
TDA1543 Dual 16-bit D/A Converter Pinout
TDA1543 DAC: Datasheet, Pinout, Circuit [Video&...
10x TDA1543 NOS DAC
Tda1543 dual 16 bit d a converter datasheet – A...
TDA1543 Datasheet(PDF) - NXP Semiconductors
TDA1543 Tr I/V
ЦАП TDA1543 v3 – для продвинутых слушателей – h...
Philips Semiconductors TDA1543 Series Datasheet...
TDA1543 Datasheet PDF , Philips : Dual 16-bit D...
Схема TDA1543 цифро-аналоговый преобразователя ...
TDA1543 Datasheet PDF (100 KB) Philips | Pobier...
TDA1543 datasheet(4/13 Pages) PHILIPS | Dual 16...
TDA1543 Dual 16-bit D/A Converter - Datasheet
TDA1543 Datasheet PDF ( Pinout ) - Dual 16-bit ...
TDA1543 datasheet(3/13 Pages) PHILIPS | Dual 16...
TDA1543_i2s_PPY`s ReClocker - Platform for crea...
TeraDak TDA1543 NOS DAC-V4.5 (Chameleon) Photo ...
TDA1543 SKLEP - ATNEL
TDA1543A Datasheet - Dual 16-bit DAC - Philips
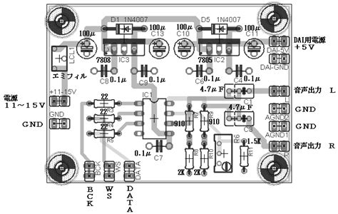
TDA1543 回路図
TDA1543A PHILIPS Analog ICs - Veswin Electronics
TDA1543 DAC « FET Audio | Hi-End Audio & Electr...