Термостат 96984103, 55564890 - Корпус термостат...
Корпус термостата Шевроле Авео т300
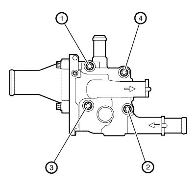
Схема термостата шевроле авео т300 - 92 фото
Устройство термостата шевроле авео т300 – NewAv...
Корпус термостата авео т300 — купить по низкой ...
Корпус термостата в сборе (с термостатом и датч...
Ремонт корпуса термостата шевроле авео т300
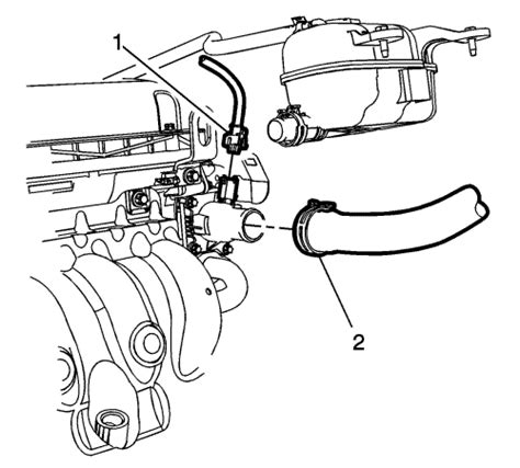
Замена термостата Шевроле Авео Т300
Термостат 96984103 55579951 - Корпус термостата...
Корпус термостата Авео Т300 Круз Орландо Трекер...
Chevrolet aveo т300: термостат, его датчики и о...
Корпус термостата Шевроле Авео Т300 1.6 металл ...
Купить корпус термостата круз, авео т300, астра...
Корпус термостата на Шевроле Авео T300 седан - ...
Корпус термостата Шевроле Авео Т300 Вся Россия ...
Корпус термостата Шевроле Круз, Авео, Орландо |...
Корпус термостата в сборе алюминиевый для Шевро...
Корпус термостата Шевроле Авео T200 / T250 2003...