Как работает терморегулятор холодильника?
Терморегулятор холодильника схема подключения -...
Терморегуляторы для радиаторов отопления - купи...
Терморегулатор за хладилник в Друга електроника...
Термостат для холодильника: терморегулятор, рег...
Как отрегулировать терморегулятор (термостат) в...
Терморегулятор для холодильника: как работает +...
Терморегулятор для холодильника аналоги 60 фото...
Терморегулятор для холодильника от компании "Хо...
Терморегулятор холодильника схема
Терморегулятор холодильника. Схема и устройство...
Термостат для холодильников
Терморегулятор для Холодильника Gorenje НОВЕ! —...
Терморегулятор для холодильника
Как отрегулировать термостат холодильника, прин...
Терморегуляторы для холодильника
Как проверить терморегулятор холодильника в дом...
Терморегулятор холодильника Бирюса 2 и 3: как з...
Терморегуляторы для батарей. Виды и преимуществ...
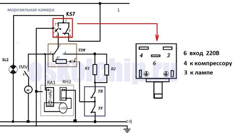
Терморегулятор для холодильника "Стинол" К57
Как устроен терморегулятор холодильника
Терморегулатор, термостат, термореле, термоконт...
Терморегулятор для холодильника: что такое, рем...
Терморегулятор холодильника и проверка подключе...
HS Electro - терморегуляторы и термостаты
Купить Терморегулятор Интеллектуальный контроль...
Устройство и принцип действия терморегулятора б...